logo habitat energy
Energie solara si eoliana
   pentru o CASA VERDE
Prima pagina | Despre noi | Contact | facebook icon
Panouri Solare Termice
Incalzirea apei cu ajutorul panourilor solare este o tehnologie accesibila fiecarui proprietar de locuinta/piscina in scopul reducerii costurilor de incalzire si a reducerii dependentei de sistemul centralizat de incalzire.
Va prezentam in continuare componenta unui sistem solar termic si solutii tehnice.
meniu Panouri Solare Fotovoltaice

SOLUTII CONSTRUCTIVE

Panouri Solare FOTOVOLTAICE
meniu Panouri Solare Termice

SOLUTII CONSTRUCTIVE

Panouri Solare TERMICE
meniu Turbine Eoliene

SOLUTII CONSTRUCTIVE

TURBINE EOLIENE
meniu Sisteme Solare de BACKUP

SOLUTII CONSTRUCTIVE

Sisteme Solare de BACKUP
banner deccons.ro
banner copertine-parasolare.ro

banner rodev.ro
banner utilaje-gipscarton.ro
SOLUTII CONSTRUCTIVE

Panouri Solare TERMICE

panou solar termic

casa cu panou solar termic

panou solar termic cu boiler

Componenta unui sistem solar termic

  • Colector (panou solar) - Dimensionare-Primul pas in alegerea sistemului este stabilirea numarului necesar de panouri.Unghiul de inclinare al panourilor trebuie sa fie +/- 10 grade fata de latitudinea locului.Incarcarea acoperisului nu trebuie neglijata iar sistemul de fixare trebuie ales cu grija astfel incat sa nu apara infiltratii prin acoperis
  • Boiler (recipient de stocare a apei calde) - Volumul si dimensiunea boilerului au de asemenea o importanta deosebita asupra pozitionarii in camera tehnica. Supradimensionarea sau subdimensionarea sistemelor nu creste performanta sistemului. Pozitionarea boilerului se face deobicei in interior deoarece plasarea in exterior poate duce la deteriorarea boilerului si pierderea de energie. Datorita greutatii boilerului trebuie calculata incarcarea planseului in camera tehnica.
  • Lichidul antiinghet - Lichidul care circula prin panouri este de tip antigel
  • Kit hidraulic cu sistem electronic de control - Analizeaza datele de la senzori si determina cand este suficienta energie pentru colectare.
  • Vas de expansiune - este prevazut in sistemul panourilor solare .Are rolul de protectie contra suprapresiunii cand temperatura este ridicata si mentinerea presiunii cand fluidul are temperatura scazuta.

A. Componenta unui sistem solar termic destinat incalzirii apei menajere

1.Sistem solar termic pasiv - Este cel mai vandut sistem deoarece nu are sisteme auxiliare pentru a functiona Contine Panourile Solare si Boilerul 2.Sistem solar termic activ (sistem care foloseste diverse dispozitive in vederea transportului de caldura) - Sistemul este necesar atunci cand recipientul (Boilerul) este pozitionat la un nivel inferior panourilor solare.

Sistem solar termic cu serpentina simpla

schema sistem solar termic activ simplu
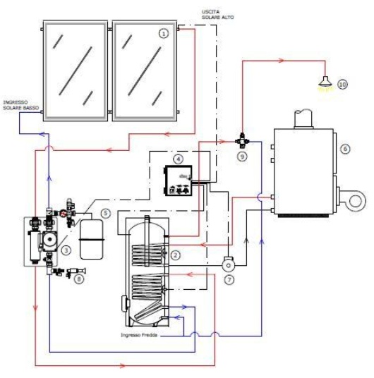
  1. Panouri solare(colector)
  2. Boiler
  3. Kit hidraulic
  4. Sistem electronic de control
  5. Vas expansiune
  6. Centrala termica
  7. Valva
  8. Pompa manuala
  9. Termostat
  10. Consumator

Sistem solar termic cu serpentina dubla

schema sistem solar termic activ dublu

B. Componenta unui sistem solar destinat incalzirii habitatului (apa calda + incalzire spatiu)

Sistem solar termic cu boiler trivalent

Schema sistem solar termic incalzire habitat simplu
  1. Panouri solare (colector)
  2. Boiler
  3. Kit hidraulic
  4. Sistem electronic de control
  5. Vas expansiune
  6. Centrala termica
  7. Pompa boiler
  8. Pompa manuala
  9. Termostat
  10. Consumator
  11. Sistem incalzire pardoseala
  12. Termostat

Sistem solar termic cu boiler trivalent si incalzire piscina

Schema sistem solar termic incalzire habitat dublu

C. Componenta unui sistem solar destinat incalzirii piscinelor acoperite



logo gri habitat energy
Copyright © 2011 Habitat Energy srl


logo syms